Contents
- Index
- Previous
- Next
Mass Spec Digitizer

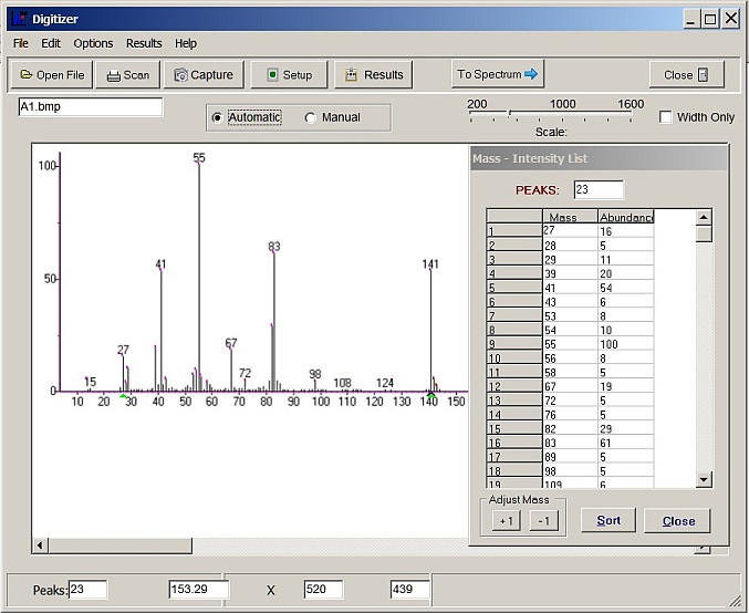
Mass spectra in a variety of graphic formats can be digitized by either an automatic or manual method using the MS Digitizer. This utility provides a quick and simple means to capture the underlying mass - intensity data when only a plot is available. Graphs can be loaded from a file (bitmap, jpeg and png are all supported), resized if necessary, and then analyzed. Analysis requires specifying three points: the origin, and two mass calibration points. Selection of the calibration points is not critical. Any pair of well-spaced known values can be used. Clicking on an ion is not essential; only the mass (x-position) at the clicked point needs to be defined. Then the plot can be processed automatically or manually. Once the Process button has been pressed, the plot will be calibrated and the current Mass value (pointer X position) will be updated in the small box at the bottom of the Digitizer window as the cursor is moved. This can assist in locating the correct mass for inclusion. Note that figures should be expanded to relatively larger sizes if possible since that facilitates ion separations in the image.
Graphs can also be incorporated directly from hardcopy or from the screen. Hardcopy can be scanned directly into the Digitizer from an attached scanner by clicking the Scan button. To incorporate a screen image displayed in a pdf file or on a website, you can use the Capture option. Once the image is present in MS Digitizer you would save and reload it if necessary, and then click the Setup button to begin. Clicking the Results button will display the Mass Intensity List window, and once the data are ready to use you would click the To Spectrum button to send the data on to the Spectrum Editor and display them in Spectrum:

In some cases automated processing will produce usable results immediately, but that is probably more the exception than the rule. In most cases, automatically digitized images will need at least some editing. After autoprocessing is completed the digitizer immediately switches to manual mode. So if a significant ion was missed, simply move the cursor to the top of the ion and click to add it to the list. If false peaks are detected which can also occur, then open the Results menu item to display the list, locate the improper mass and double click the mass value in the display box. Confirm yes to delete that ion from the list. When all is OK, you can resort the ion list if you like although that is not required, and then send it to Spectrum.
Capture Setup Results To Spectrum